图知网
搜索
首页
热门推荐
图片分类
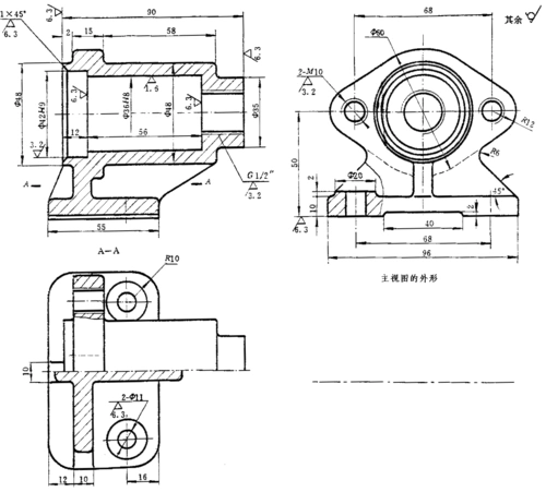
机械制图-识读零件图-22题(答案)课案
下载原图
相关图片
机械制图工程图常用技术要求汇总让你的图纸显得更专业
第1页 下一页 (共16页,当前第1页) 你可能喜欢 机械cad图纸 机械制图
请教cad制图高手,机械制图问题
137套solidworks工程图图纸模板/机械加工图纸/机械制图模板图纸
机械制图练习图纸 solidworks建模练习图纸 cad制图练习图纸 ug建模
安全阀机械制图图纸
为你推荐
以前的眼线现在的星空美瞳线
15张生日礼物的爱心填色图纸免费打印-红豆饭小学生简笔画大全
罗字的笔顺动画
雪加电子烟1到3代照片(全实拍展示) - 第1张
小浣熊方便面哪个口味好吃,小浣熊方便面多少克
492 | 回复: 7 马自达3 axela昂克赛拉论坛 求大神看看什么情况 问答
时尚现代飘窗榻榻米图片效果图
fila斐乐官方男子短袖t恤2022年夏季休闲百搭圆领t恤衫男正黑色bk190