图知网
搜索
首页
热门推荐
图片分类
2021年最新版伴侣头像,情侣头像图片-回车桌面
下载原图
相关图片
高清2021头像图片微信情侣
2021最火爆微信原宿风恋人头像,情侣头像图片-回车桌面
wechat情侣头像
2021最新情侣头像
动漫情侣头像2021第一弹
2021最火爆微信情头cp头像,情侣头像图片-回车桌面
为你推荐
你们喜欢在家里吃火锅还是在外面
唯美水果蓝莓高清图片桌面壁纸下载
宝格丽蛇头耳钉
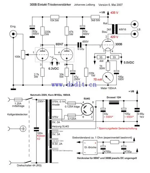
300b胆机电路图
大肠杆菌,克雷伯杆菌属,沙雷菌属,变形杆菌属,流感杆菌中从头孢克肟感
周六日正常上班,业务 - 抖音
在岩石上打坐的漂亮女人
真人版"弥勒佛":成网红后,被富婆花高价请回家,如今已被抛弃