图知网
搜索
首页
热门推荐
图片分类
死神:蓝染说崩玉是有自我意识的东西,这一点应该是一个事实!
下载原图
相关图片
求一张死神里面蓝染的q版图!最好是黑白的线条分明的!适合刻橡皮章的!
t神蓝染
隐藏头像
魔道祖师 q版蓝忘机情侣头像
死神头像哦亲
手绘情侣头像卡通可爱魔道祖师蓝忘机
为你推荐
《琅琊榜》胡歌梅长苏剧照高清唯美电脑桌面壁纸8p
漫画少女人物线稿参考素材96适合临摹75 画师 | 33353231
李小璐学董洁的直播风格,开直播串珠子,说话温柔笑容灿烂
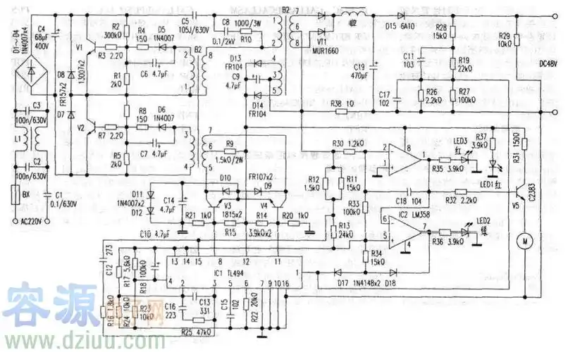
48v电动车充电器电路图
朵拉闯关大冒险
超瘦的女生短裙是不二选择
do you know your seagulls?