图知网
搜索
首页
热门推荐
图片分类
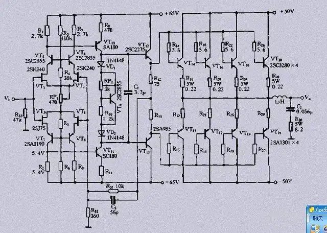
发个自己设计的小甲功放电路,大家帮忙看看行不行
下载原图
相关图片
纯甲类功放电路图及原理
纯甲类直流功放电路
甲类otl功放电路
纯甲类功率放大器电路的详细介绍和设计说明
图16-1 otl 功率放大器实验电路
讨论这两个纯甲类功放电路如果呀
为你推荐
烟囱工厂怎么画简笔画步骤图带颜色
《女医明妃传》_黄轩
冬至日颐景园倒影
"金陵画派"领袖龚贤的作品欣赏
明太祖朱元璋画像
【5】拿铁咖啡 杯口留香法式拿铁速溶咖啡粉 下午茶罐装
[视频]科学家探险离奇失踪 26年后沙漠现其干尸
沙雕搞怪的海绵宝宝表情包/派大星_腾讯新闻