图知网
搜索
首页
热门推荐
图片分类
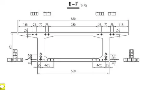
[分享]钢箱梁桥支架资料下载
下载原图
相关图片
箱梁侧模示意图
现浇箱梁支架施工方案(共87页,结构图多附现场照片)
上下行匝道钢箱梁专项施工图208页(2019)
全面采用预制节段拼装箱梁技术的高架桥
钢箱梁ppt
箱梁是什么形状的?请快快给答案
为你推荐
女生动漫头像 好看的女生动漫头像来喽~ 动漫头像唯美又浪漫, 很多小
7月21日黄晓明和儿子小海绵一同现身机场
原创华晨宇感染力十足沈梦辰模仿其招牌手势有谁注意到韩红
火箭少女101成团出道六周年
往年蜂巢开箱,白色蜂蜡多而丰满(摄影_蔡佳珊)
壁纸 擎天柱,变形金刚5:最后的骑士 3840x2160 uhd 4k 高清壁纸, 图片
差三岁jam阿敬g调原版简单版
湖南剁椒鱼头,肉质细嫩,肥而不腻,口感软糯,鲜辣适口