图知网
搜索
首页
热门推荐
图片分类
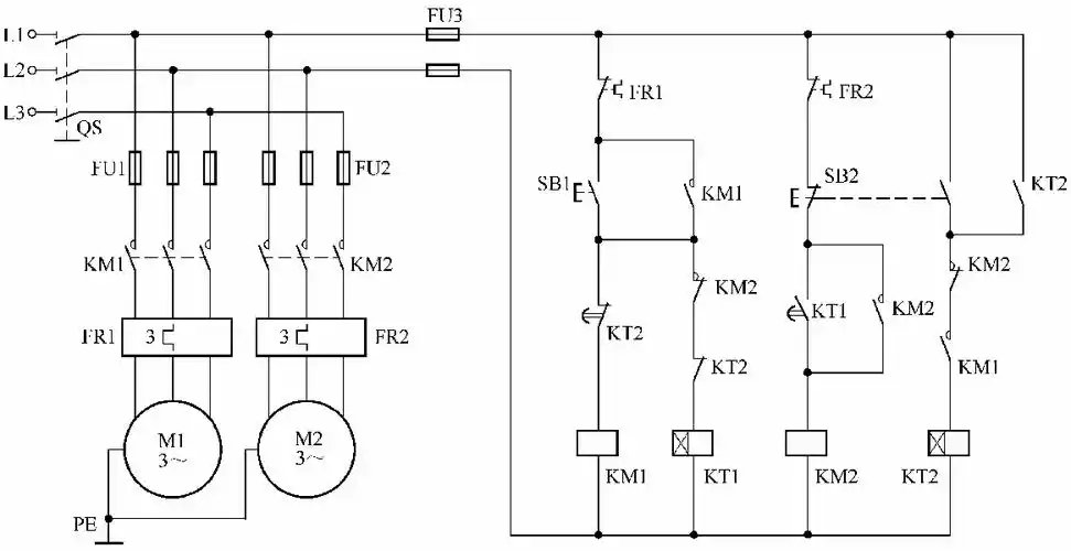
张电工最常见电路原理图.doc
下载原图
相关图片
6张经典电路图分析,让你从电工学徒进化成高级电工,你都会吗?
28例电气自动控制电路图,都是干货,快收藏吧!
中级电工证考试试题及答案 看懂电路图 电子元器件图片 电工培训教材
45张电工常用电动机控制电路图值得收藏
电工操作电路图
双路三相电源自投电路
为你推荐
古天乐有被吴镇宇冒犯到##起猛了看到吴镇宇点评古天乐
名著导读《简爱》课件ppt
徐州市儿童医院科普关注儿童及青少年胸壁隆起叉状肋
龙猫头像
red wing 王者之靴
下面来介绍一下一,走线技巧机柜走线,怎么走得好,很大部分都在机柜
先秦原始贝币骨贝5枚