图知网
搜索
首页
热门推荐
图片分类
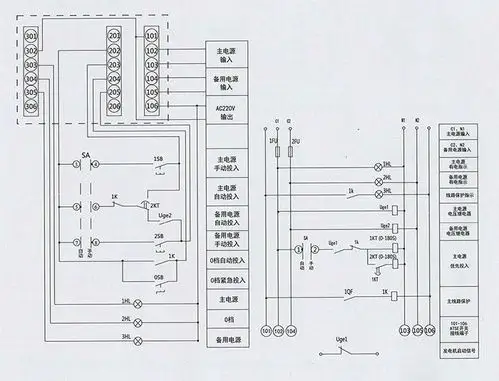
汽车发电机接线原理图
下载原图
相关图片
柴油发电机并联同步接线图.png
发电机并网接线图
启动机,发电机及点火开关接线法接线图如下
启动,控制和励磁系统在柴油发电机组上的接线布置图
柴油发电机组的双电源自动转换开关接线方式
5kw三相柴油发电机 伊藤动力yt6800e3
为你推荐
王一博头像图源水印
情侣头像小众高级不明显 - 知乎
揽胜运动版 2010款 5.0 v8 sc hse内饰图片301099(5/29)_太平洋汽车网
植物细胞模型
教学课件部分我是龙的传人, 我们生在龙的故乡!
荨麻疹图片和症状 (45)
孩子不小心摔伤头部,什么情况下需要去医院看医生?
六元牛奶公司