图知网
搜索
首页
热门推荐
图片分类
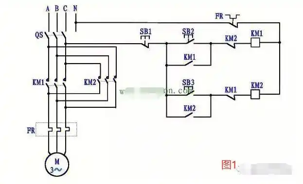
单相电机实现正反转的方法详解
下载原图
相关图片
单相电动机顺正反转控制电路图
电机正反转电路图原理图解电工操作证
有谁知道单相电机正反转电路图,最好是图解,先谢各位
y90l-2单相双值双电容电机正反转用换向开关怎样接 要图
倒顺开关控制单相电机正反转
单相电机正反转接线
为你推荐
肖战漫画图楼
2022最新龙简笔画中国神话龙的简单画法
r1se赵磊 r1se 主唱 赵磊(侵权删
机智boy 汪苏泷 好聪明,这神解释也是笑不活
艺术字体设计·姓氏头像定制·苏 姓氏头像,喜欢哪种款?都可以定制.
假老练头像
拼音闯关游戏ppt
踝足矫形器(t形)