图知网
搜索
首页
热门推荐
图片分类
冠军果然是他!#精灵宝可梦 #口袋妖怪 - 抖音
下载原图
相关图片
第十名洛奇亚: 洛奇亚的肚子是浅蓝色的,尾鳍是蓝色的,其余部分
来让你不了解宝可梦的朋友找出妖精(仙)属性的宝可梦
四世代图鉴.#精灵宝可梦 #口袋妖怪 - 抖音
妖精系宝可梦.图中那个是娜姿吗?你爱不爱#口袋妖怪 #精灵宝 - 抖音
宝可梦妖精系被什么克制_18183.com
妖精系宝可梦
为你推荐
hiroyuki oda -revive- p站 二次元 原创 歌曲 封面 壁纸 绮丽 透明感
闺蜜
张译老婆钱琳琳个人资料图片被扒 姐弟恋老婆年龄比他大几岁身高高
荷莲豆草/溶莲
网红韩笑刘帅宇分手后互撕多位女生证实网友绝了
美发创意海报图片
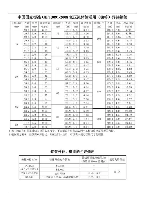
国标低压流体输送用镀锌焊接钢管1gb-t3091-2008
儿童教育 儿童手工制作 幼儿教具 幼儿园手工制作:水果蔬菜造型 >