图知网
搜索
首页
热门推荐
图片分类
语怎么解释 所梦喻什么意思?如何解释?
下载原图
相关图片
缘分让我们相遇,感谢相遇的唯美短句
缘分让我们相遇是意外也注定了我们的分离相遇不如不遇
感谢缘分让我们相遇
【黄霄云】《缘启》 是怎样的缘分让我们相遇 是怎样的际遇让我们走近
很高兴与您相逢相识;缘分让我们相遇,是上苍赐给我们的美好!
感谢缘分让我们相遇
为你推荐
如此好的基因基础,真的是让众多网友都纷纷期待小海绵的长大,不知道
台湾通用拼音与大陆汉语拼音对照简表.doc
bigbang 权志龙 gd
南京学习平台:理论宣讲丨南京玄武锁金村街道:《新时代 新青年 新作为
悦薇水乳滋润型中样75ml30ml
关注心灵快乐成长心理健康教育主题班会.pptx 53页
洛阳嵩县木札岭旅游小记木札岭景区位于嵩县境内,距 - 抖音
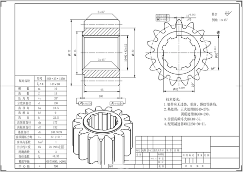
关于齿轮工程图问题