图知网
搜索
首页
热门推荐
图片分类
板钢筋课程讲解
下载原图
相关图片
根据梁配筋图的立面图钢筋分离图绘制1122断面图并注明钢筋编号
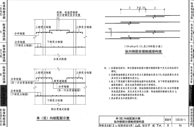
板面筋什么叫分离式配筋
什么叫板的分离式配筋?
是抗温度筋与上部受力钢筋搭接双向配置(按分离式配筋).
钢筋配筋图
让我们边聊着天边把施工技术学了!
为你推荐
幸福一家人 商标公告
郭艾伦世界杯得一分(男篮不敌韩国,"一分梗"被重新提起,胡明轩和
迷你世界月无双与花小楼number9
伪装学渣
ootd每日穿搭 #burberry #巴宝莉 #显瘦穿搭 #秋冬穿搭 #日常穿
颈椎病最重要的肌肉斜角肌
阳台铁艺栏杆施工方案_第4页
美丽的大草原怎么画简笔画 中级简笔画教程-第4张