图知网
搜索
首页
热门推荐
图片分类
男子用5万枚硬币堆出上海地标:玩10多年了,常备1毛硬币八九万枚
下载原图
相关图片
90后小伙用万枚硬币摆造型 被人质疑用胶水
过门石 用88枚五角硬币摆放成"6出入平安6"每个字都是双 - 抖音
用硬币摆造型,这也称得上是艺术,喜欢的多多支持
能用硬币摆出造型来,也是个奇人了,真心佩服
普通硬币堆叠各种造型真厉害.
用五角硬币摆的造型真是绝了
为你推荐
妩媚性感的黑天鹅公主#鞠婧祎# 雪肤玉貌,身材丰腴,娉婷秀雅,美丽动人
琉璃头像 - 高清图片,堆糖,美图壁纸兴趣社区
姚黄-菏泽市恒泰牡丹种植专业合作社
6个在古装剧中"跳舞"的明星,你最喜欢谁?图4的心机最重
嘉庆通宝大清镇库钱
ninepercent古装素材图
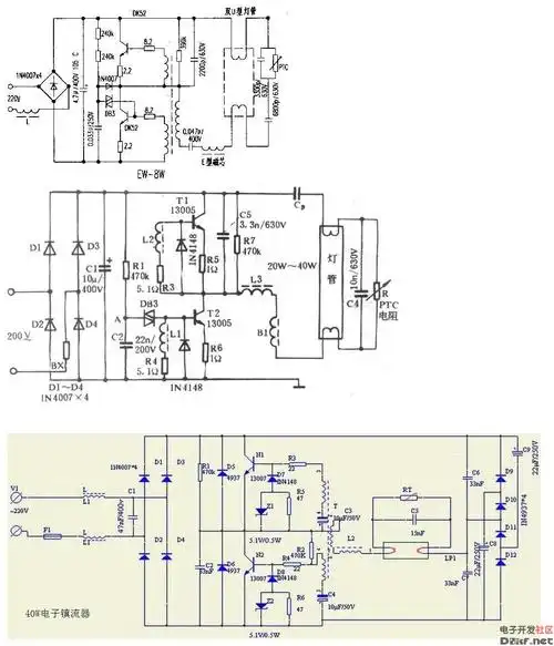
节能灯电路图
柑橘树红蜘蛛特效药 *好的杀螨剂药