图知网
搜索
首页
热门推荐
图片分类
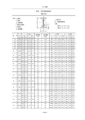
h型钢参数
下载原图
相关图片
常用型钢规格表大全
常用型钢规格表.pdf
h型钢表
常用型钢规格表
常用型钢规格表单.doc
焊接h型钢规格理论重量表
为你推荐
精美山水风景高清壁纸
最新排名2024年韩国最美的10位女星出炉了宋慧乔冲进前3名
手绘水彩插画王耶啵^3^#手绘 #原创 #王一博 #日常瞎画 - 抖音
中国风诗仙李白手抄报小报word模板docx1页
《最终幻想》蒂法壁纸特辑
有没有女生跟我一样穿彪马松糕鞋会磨脚后跟的
五雷符
花怜写字(稿)_天官赐福花怜谢怜花城q版绘画作品