图知网
搜索
首页
热门推荐
图片分类
叶罗丽精灵的仙子贝贝们更喜欢哪个
下载原图
相关图片
叶罗丽仙子的生日在几月几号
什么精灵梦叶罗丽是提倡早恋的渣片可你知道主角们多大吗
叶罗丽娃娃60厘米时间公主情公主夜萝莉精灵梦白洋娃娃生日礼物 契约
叶罗丽时间仙子真名被官方意外曝光了三个字比冰公主好听
叶罗丽孔雀仙子解除封印她的真正实力忒让人惊讶
叶罗丽茉莉仙子的五个装扮舞会小洋裙最罕见粉白长裙很简朴
为你推荐
刘耀文卡点发博给宋亚轩庆生
1982年,向华强带着"红颜知己"陈岚,回家见自己的老婆丁佩,陈岚握着
跑男|烧脑_网易订阅
信靠顺服_儿童歌谱_阿们歌谱网
对比测量上下肢的血压,可以判断下肢是否缺血.
麻将牌玉白色耐寒仿玉石108张手搓麻将小号136张手打配牌仿真家用
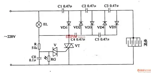
请问:开关二极管,电容怎样连接起来可以升压?给个实物图吧!
女童半身裙子针织裙秋冬百褶蓬蓬裙童装女宝宝高腰中大裙毛线裙子