图知网
搜索
首页
热门推荐
图片分类
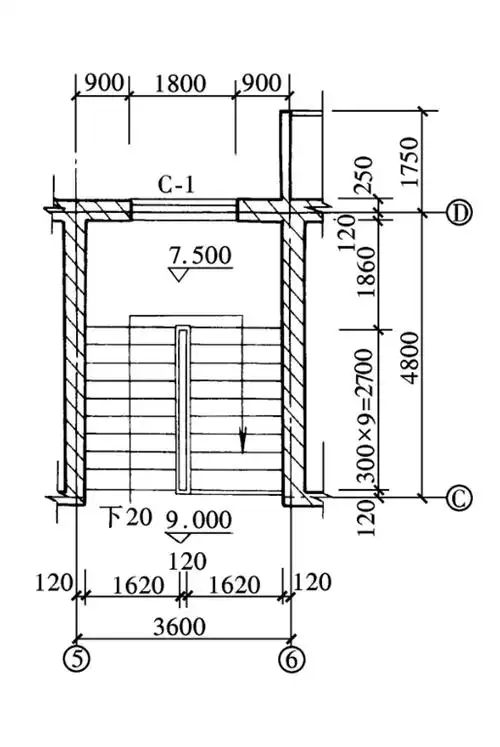
5试设计楼梯尺寸
下载原图
相关图片
识读下面的图纸可知楼梯间的开间尺寸是mm
求一个客厅楼梯位置,大概样式的指导
各位前辈们画转角三跑楼梯我按照图纸在构件中输入的参数但是模型出来
pc客户端 考试大全 违法和不良信息举报 在线客服在楼梯平面图中,尺寸
楼梯平面图
楼梯尺寸有没有计算公式
为你推荐
请问谁有灿烈这张图片的原图啊?谢谢!
衣柜选好了,衣柜门要怎么选?
韩剧匹诺曹
56个少数民族设计元素素材
翁帆个人资料简历(翁帆个人简历)-天晟网
卡通美国老鹰矢量插图
美丽的鸟儿世界,高清壁纸图片 转载自百家号作者:智能人
《顶楼》李智雅将出演新剧《走到尽头》,公司回应:正在协商中!