图知网
搜索
首页
热门推荐
图片分类
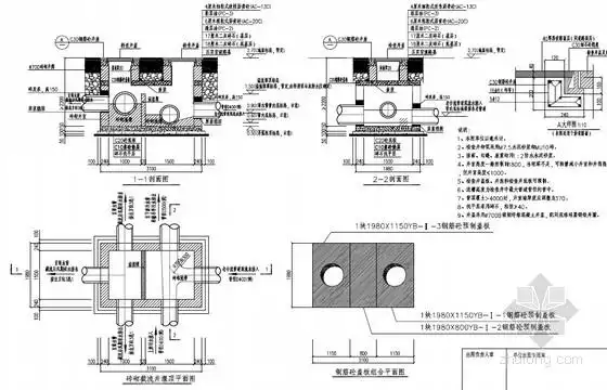
溢流式雨水井平面图大样图cad
下载原图
相关图片
溢流式雨水井平面图大样图cad
溢流式雨水井平面图大样图cad
溢流井设计详图
七种溢流井大样图
[分享]溢流井cad资料免费下载
一种溢流式农田放水井的制作方法
为你推荐
卓思华dreamswan珠宝专场18k金镶碧玺钻石吊坠bx095p-gr_唯品会
恐怖片主角纹身大赏胆小鬼慎点
国字脸剪什么短发发型 国字脸型男士短发发型设计图片
火影忍者的三图拼接带字幕系列壁纸,经典又令人血液沸腾
斗罗大陆:唐三展现万年魂环,为何独孤博反劝唐三放弃
jdm& eudm all stars meet (2011)
快让你的姐妹给你做三丽鸥牛奶盲盒吖
月球16号探测器苏联月球探索的里程碑