图知网
搜索
首页
热门推荐
图片分类
鉴赏传祺ga8高清大图,品质已经深入人心,舒适有牌面
下载原图
相关图片
全新传祺ga8上市,全面升级,15.68万起
传祺ga8
传祺ga8
2017款 280t 尊享版 传祺ga8外部配置高吗 传祺ga8购车手册_太平洋
广汽传祺ga8的轮胎多少钱(广汽传祺尊享的轮胎)【汽车时代网】
2017款 320t 行政版 传祺ga8外观设计怎么样 传祺ga8购车手册_太平洋
为你推荐
张艺兴张艺兴治愈成长系岁月神偷兴powerstation新年特别企划二
手工教程 #卡纸头饰 #手工折纸青蛙小牛94
微信头像博君一肖
美国大兵头图片 男人超短发硬汉卡尺头发型图片
七月新番gif:老婆大人玩换装play
面盆水龙头止水阀 马桶进水角阀铜牙角阀 金色手轮冷热水三角阀
l如何包包子手法图解
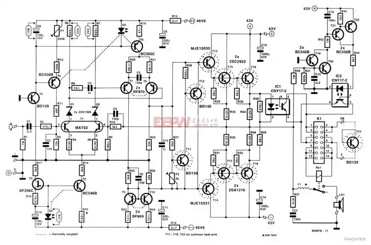
功放电路图大全一