图知网
搜索
首页
热门推荐
图片分类
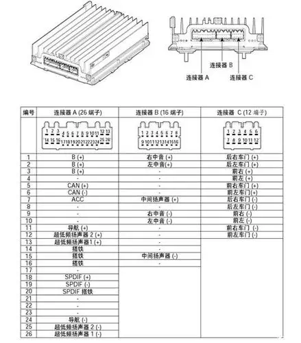
kenwood通道放大器kac-m845/kac-m645使用说明书
下载原图
相关图片
功放输入,输出音频线怎样接?
汽车音响改装基础知识篇--第三节 车载功放
单碟改六碟的利器 可以告诉我索八六碟cd机和原车功放接线定义吗
汽车音响—车机接线图大全(全部上图完毕)
bose汽车功放接线图
您好,2015款普拉多cd,功放接线电路图_宝马_宝马x5 m_汽车大师
为你推荐
情侣头像|kiss名场面 情侣头像97
赵丽颖带娃游上海,5岁儿子坐行李箱萌翻众人,母子俩露营好开心
五月天《星空》吉他谱_d调_变调夹3品_吉他六线谱_高清图片谱子
公司门头
你们是怎样调节荣威rx5的音响均衡器
太原古县城一角(图片来源:视觉中国)
日产 轩逸 2016款 1.6xv cvt智享版图片
网站首页 海量文档 办公文档 求职简历应届毕业生个人简历模板1.doc