图知网
搜索
首页
热门推荐
图片分类
案例分享看了这么多庭院还是最爱我们的经典中式
下载原图
相关图片
中式廊道韵味悠长
大宅庭院:两层半的别墅带三个花园,印度庭院却装修成新中式风格
新中式南瓜小吊灯户外防水庭院灯走廊凉亭吊灯民宿屋檐过道玄关灯
新中式走廊庭院灯庭院景观台灯阳台露台楼梯过道壁灯
好房推荐 #中式合院 #合院别墅 #安吉52/500@好友#话题
居于其中,感受中式文化的意蕴,争相辉映的花草树木,古朴大气的连廊角
为你推荐
超威电池设计图__海报设计_广告设计_设计图库_昵图网nipic.com
原创/草莓熊壁纸
歌唱祖国钢琴谱-改编自管弦乐版-王莘1
滑滑梯小孩简笔画简单又好看
马自达cosmo杰克奥特曼mat队涂装
儿童静脉输液留置针部位选择和穿刺技巧
宫崎骏龙猫的深度含义 _飞翔号
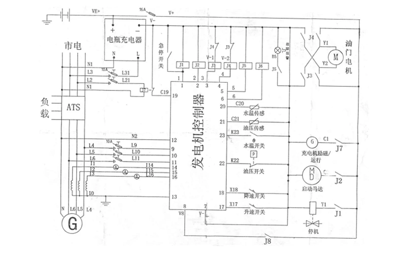
柴油发电机组的性能要求和一次接线图