图知网
搜索
首页
热门推荐
图片分类
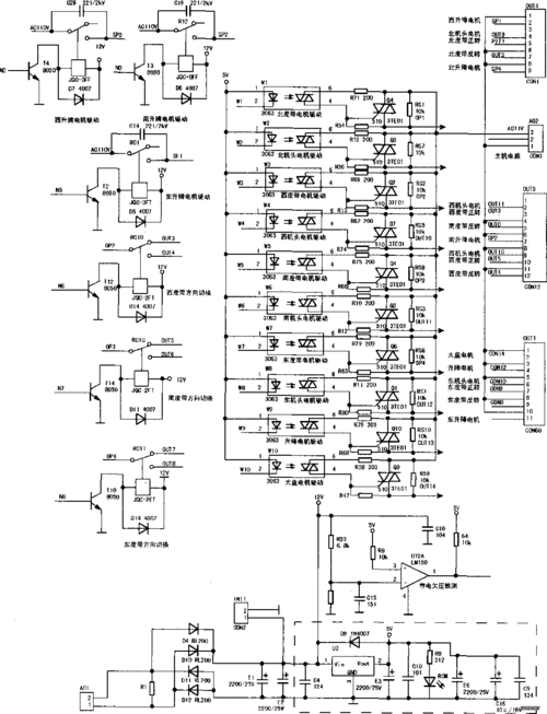
新老麻将机电机的换接方法
下载原图
相关图片
自动麻将桌的基本工作原理是
电动麻将机主板图.pdf
东莞自动麻将机维修大全
思泰st4100自动麻将机电控板电路原理图
麻将机主板功能详解
麻将机主板解说7.jpg
为你推荐
谱子演奏信息:c调4/4拍拍速/60拍以下单吉他
女人脸上的好痣和坏痣_痣相算命_手相面相大全
元气骑士里所有的女性角色. (.
将军阁锦多头老桩多肉植物 翡翠阁锦群生大颗花卉小盆栽
10mm胶合板 多层板 包装板 木托盘 木板材
王者荣耀能力不错的艾琳为什么那么冷门
安雅泰勒乔伊结婚#据外媒,安雅·泰勒-乔伊(anya taylor-joy )与男友
黑社会女头像背影图片