图知网
搜索
首页
热门推荐
图片分类
数字电路逻辑式化简 f=s1非s0非ab s1非s0(a b) s1(s0非)(a(b非) a非b
下载原图
相关图片
通过仿真判断设计思路正确,电路连接无误,设计成功. 第5页
数字电路问题:如何用8选1数据选择器74ls151和合适的门电路实现逻辑
一个数字逻辑电路的仿真图 帮忙看下哪里 错了
数字电路
数字电路设计数字电路设计200例
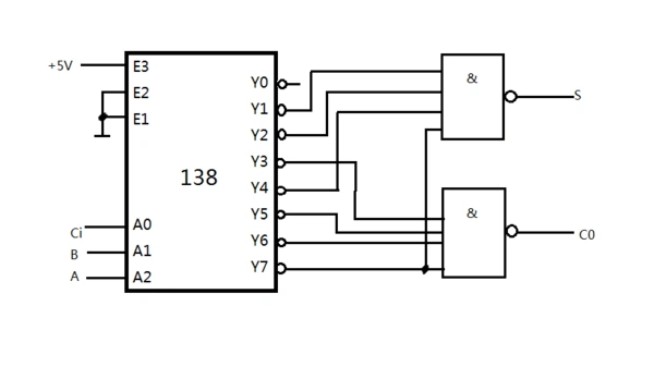
数字电路与逻辑设计:用74138实现一位全加器!
为你推荐
宋佳为什么不结婚一直单身(爱上两个已婚男人)(16)
2022年工地农民工现状:工作辛苦,工钱难要,上了年纪还要被嫌弃
光遇情头分享
干货分享2023年中国高等职业教育行业市场发展概况及未来投资前景预测
幼儿英语启蒙怎么做 - 抖音
梧州市行政区划图
英语海报:保护濒危动物
快乐阿拉蕾图片漫画头像手机壁纸7张