图知网
搜索
首页
热门推荐
图片分类
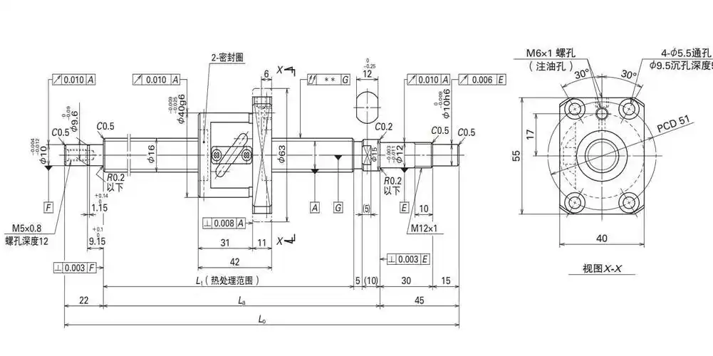
机械制图的尺寸标注详解再复杂的图纸也能看懂
下载原图
相关图片
fa.sa系列-w1603fa-2-c3t5 江苏勃曼工业控制技术_产品_的生产_运动
拨叉零件机械加工工艺分析与夹具设计.
数控车工初级,级图纸大全.doc
识图最全复杂的机械加工图纸
266套solidworks工程图/非标自动化设备加工图纸机械设计加工图纸
学习情境二 零件图纸 沟槽螺纹零件的数控车削加工
为你推荐
原创那些年刘德华剪过的发型总有一款帅到你一般人还真驾驭不了
杨洋
郭京飞夹克风沉稳帅气写真39
许凯 别刷那个汉堡了##许凯晒自拍
郑爽道歉网评,豪宅曝光,装修简单接地气,是个热爱生活的女孩!
夜行儒士 - 第28话 - 第3页
邓散木《草书写法》
《奇葩说》大王晒验孕棒官宣怀孕,与小6岁老公结婚一年幸福甜蜜