Warning: session_start(): open(/tmp/sess_3rm9l5q4975l9i66t49goomjim, O_RDWR) failed: No space left on device (28) in /www/wwwroot/www.tuzhiw.com/config.php on line 13

Warning: session_start(): Failed to read session data: files (path: ) in /www/wwwroot/www.tuzhiw.com/config.php on line 13
化身杰森杀人狂这样的我你们怕吗? - 图知网

化身杰森杀人狂这样的我你们怕吗?

相关图片

为你推荐

6张非常漂亮的美女早上好祝福表情图片带字 微信群发早安问候短句

安科瑞直流电流表pz72l-di 数显电流表

沈阳万达文华酒店

其它 最后一次集体活动 写美篇第二个项目:小型过山车 旋转 旋转 再

后续来了,懂事的大学生把我放在电脑机箱里的2000块钱还回来了!

【烟雨江南】御林军——七月宣传贴!

夜店之王22级怎么摆放家具最好看.求图

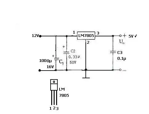
用7085设计个直流变压电路图,要求实现12v转5v.


Warning: file_put_contents(/www/wwwroot/www.tuzhiw.com/cache/image/185c664090e3f016c9c8ea175926cf10.html): Failed to open stream: No space left on device in /www/wwwroot/www.tuzhiw.com/config.php on line 196