图知网
搜索
首页
热门推荐
图片分类
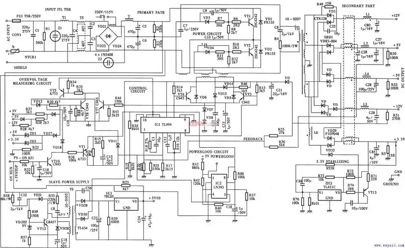
tl494中文资料-音频处理电路图-电子产品世界
下载原图
相关图片
tl494控制的充电器分段调压电路原理
tl494大范围可调电源输出电容泄压电路 -b.jpg
200watx电源(tl494)电路
tl494制作060v020abuck恒流恒压可调稳压电源效率大于95
tl494-boost变换器 总结 三,电路分析 整个电路主要由tl494控制电路
tl494pwm脉宽调制电路图
为你推荐
钱之江
小猪佩奇头像
教育战疫人用爱播撒希望用责任成就未来郑州市第五十七中学致信半边天
一瓶小区113平的2居室此户型是南北通透的两居室格局,客厅和主卧室
广禧麻薯粉1kg 网红鲜奶麻糬商用预拌粉牛乳椰子奶茶店专用原料
苏州某住宅小区变电站强电图纸-建筑电气施工图-筑龙电气工程论坛
韩国梨花女子大学举行毕业典礼 美女大学生开心自拍
刚修好的电动汽车车载充电机-迅维网-维修论坛