图知网
搜索
首页
热门推荐
图片分类
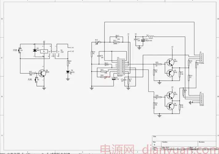
直流到交流逆变器
下载原图
相关图片
我想用直流12v做个变成220v的家用电源,2000瓦左右的……求指教
12v输入转220v输出的逆变电源电路
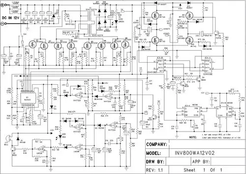
1000w正弦波逆变器直流12v转交流220v电路图
12v-230v 1千瓦逆变器电路图
12v转交流220v逆变器设计
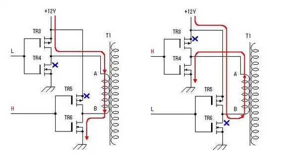
逆变器电路
为你推荐
白荟出演多部话剧1雷雨饰演四凤
尤其是甜美可爱的小女孩,也是非常适合这样的发型的.
手写名字 #可爱头像女卡通呆萌 #可爱卡通 #我会得到很多 - 抖音
烤馕的炉子
疏通下水道 疏通厕所 疏通马桶 防水补漏 抽化粪池 更换管道
隔河相望朝鲜惠安市
罕见!扬州一名14个月幼儿直肠内长出巨大息肉
建投象山国际,双名校配套 鲁班奖 品质商业,buff叠满!|置业|建筑面积_