图知网
搜索
首页
热门推荐
图片分类
周云鹏脱口秀1
下载原图
相关图片
周云鹏二人转演员苦啊我爸爸一天才挣四十块
周云鹏说要致敬赵本山,凭借自己风格夺得单场第二:用心在演喜剧
周云鹏
尬演之王周云鹏太尴尬了
周云鹏个人资料简介,主演的电视剧电影,图片,写真_明星_电视猫
原创周云鹏新片将播宋小宝电影毫无音讯赵本山会让他俩演乡13吗
为你推荐
福田五星200zh10jc三轮摩托车简易棚
最美韩国女私人教练艳丽颜值性感身材堪称尤物
两朵红色的雏菊花
功夫兔与菜包狗: 【正片】功夫兔vs电流怪,拯救
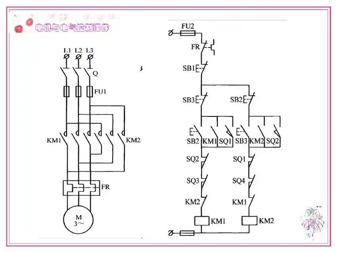
正反转控制电路
年味不减祝福来袭河北交院携百家姓祝福壁纸来啦
非凡十年61安徽封面滁州篇
施工现场平面布置图