图知网
搜索
首页
热门推荐
图片分类
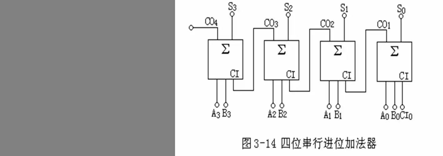
使用全加器的4位加法运算电路
下载原图
相关图片
带超前进位的四位全加器
rtl基本知识:全加器设计(vhdl)
数字电路设计1加法器
二进制全加器只涉及一位加法逻辑图和电路图
4位二进制全加器的设计
利用全加器构成3位加法计数器( 要有电路图的)
为你推荐
南沙良
2021最新好看的男生头像帅气高冷我的清晨的路上谁被我遗忘
金希澈早年颜值什么水平,真的有说的那么美吗? - 知乎
lisa饭拍这完完全全就是神女06美哭
芬妮原图·炽红莲高跟裸足
希杰狮王七分裤男夏亚麻男裤短裤青少年运动裤直筒宽松7分裤棉麻休闲
潮阳金浦人郑坚雄因煤气爆炸受伤严重,请各位爱心人士慷慨解囊!
3款不同风格的斗篷简易裁剪图