图知网
搜索
首页
热门推荐
图片分类
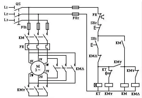
星三角启动原理图及电气柜接线图 1.
下载原图
相关图片
按钮手动控制——星三角降压启动——主电路接线
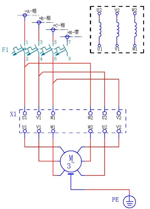
星三角启动在电机接线盒内是如何接的_360问答
星三角降压接线原理图.jpg
55千瓦电机星三角启动接线图
星三角启动接线图
星三角启动继电器启动继电器启动转换时偶尔跳闸接触器打火的原因分析
为你推荐
kobe bryant 科比·布莱恩特
10000道口算题卡一年级上下册数学100以内加减法口算练习册人教版同步
碧蓝航线爱宕(第一期)
手表依点通手表器官名称你可知
不是江南这里是安徽滁州琅琊山
汤姆猫问号表情包_汤姆_问号表情
南昌西站
破产姐妹麦克斯生图写真