图知网
搜索
首页
热门推荐
图片分类
图2a,b 分别为基于ap3768的5v/700ma 应用原理图和样机演示图.
下载原图
相关图片
尚朋堂sr-1607l电磁炉电路图
尚朋堂sr-1607b电磁炉图纸
ncp1607 功率因数控制器(pfc)
dvd电路图1
尚朋堂sr1607c型电磁炉整机电路原理图
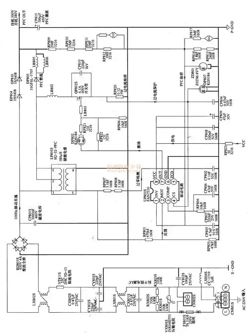
三星液晶彩电bn44-00260a电源 背光灯二合一板中的有源pfc电路如图
为你推荐
是,我大概都知道是谁假扮的他,因为那个人自己的微博也经常p成绩单,还
用红色铁锹铲雪的男人
画星星简笔画如何画星星简笔画
画画原来如此简单古风背影简笔画
荷兰行政示意图国家示意图地图库
县农机安全监理规范化建设情况工作报告范文
查看杨女士的手机了解来龙去脉后被莫名盗刷10000元钱款称自己微信钱
卡通海豚画画教程,海豚怎么画(10张自由的海豚卡通儿童简笔画)