图知网
搜索
首页
热门推荐
图片分类
车流滚滚来:沪上小区近千户居民,真要崩溃了_公路_林海_噪声
下载原图
相关图片
职业卫生检测报告 监测报告模板 室内空气检测报告 汽车噪声检测 排气
韦尔斯润滑油生产厂区噪声检测报告公示
坪山废水废气噪声监测报告
噪声分析报告
噪声监测报告(2018年第二季度)
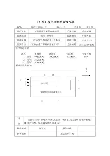
厂界噪声监测报告
为你推荐
任嘉伦 现代装
四代风影
你结婚几年了
唯美治愈系另类萌宠可爱仓鼠高清桌面壁纸下载
同人搬运公子钟离钟离小姐喝醉了啊抱她回去吧
lol腕豪·瑟提同人创作
明星大侦探 双北cp 壁纸 情头_安利_杂食_老婆
ai助力疫情防控 人工智能应用场景广泛