图知网
搜索
首页
热门推荐
图片分类
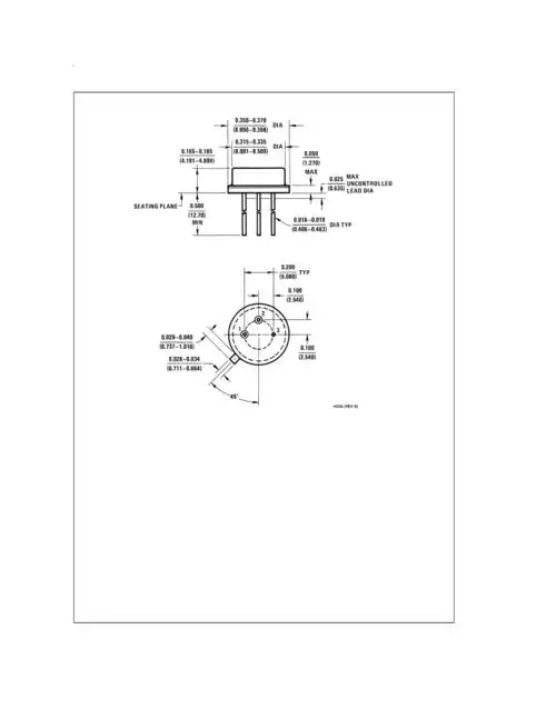
mc78m 线性稳压器 500 ma 5至24 .
下载原图
相关图片
78l05管脚图引脚图及参数资料
引脚图晶体管式to-92封装的78l05贴片dpak封装78m058m12to-220封装
原装st l7905cv l7912cv l7915cv-dg -5v/-12v/-15v 1.5a稳压器
ua78m 数据表 | 德州仪器 ti.com.cn
ka78m05 参数 datasheet pdf下载
> lm78m15ch (national semiconductor corp) 5.
为你推荐
孙莉很少公开露面,眼角虽有皱纹,但浑身散发着古典优雅气质!
名牌珀金包包女2020新款潮皮时尚百搭手提大包单肩斜挎包凯丽包new
一个人孤单的句子
【宜人宜家装饰】2018年4月14日御珑湾86栋黄先生雅居开工大吉!
展开全部 老挝5万基普纸币,折合人民币4元
森林系女孩,清新脱俗 #图文伙伴计划 #二次元 #原创 #手 - 抖音
all.炭
顶楼闵雪雅是谁推下去的为什么推她她干了什么