图知网
搜索
首页
热门推荐
图片分类
追求幸福的日子演员表_追求幸福的日子演员表角色介绍_电视剧_吉剧网
下载原图
相关图片
追求幸福的日子
庆来追求幸福的日子原来还是董事长
《爱你一生》里命运坎坷却从不低头的曾向阳;《追求幸福的日子》里
正版电视剧dvd光盘 追求幸福的日子 精装珍藏版8dvd 唐曾 张楚楚
著名演员大宋佳:46岁再做妈妈,与大龄女儿互相催婚|追求幸福的日子|张
奋斗7.追求幸福的日子8.遥远的青春9.青春斗10.平凡的荣耀1.
为你推荐
哥年轻时周杰伦
2023最新最火高清4k壁纸电脑壁纸手机壁纸 - 知乎
只要孩子不要名分聪明至极的张碧晨给华晨宇设的局正在显现
我要净墨绿色图片做手机背景图
女人光着脚站在春草和雏菊上
中联部举办中共十九届四中全会专题吹风会210余名驻华使节出席
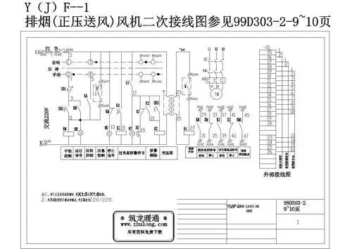
排烟(正压送风)风机控制原理图
长方形简笔画 长方形图片简笔画大全