图知网
搜索
首页
热门推荐
图片分类
电源电路
下载原图
相关图片
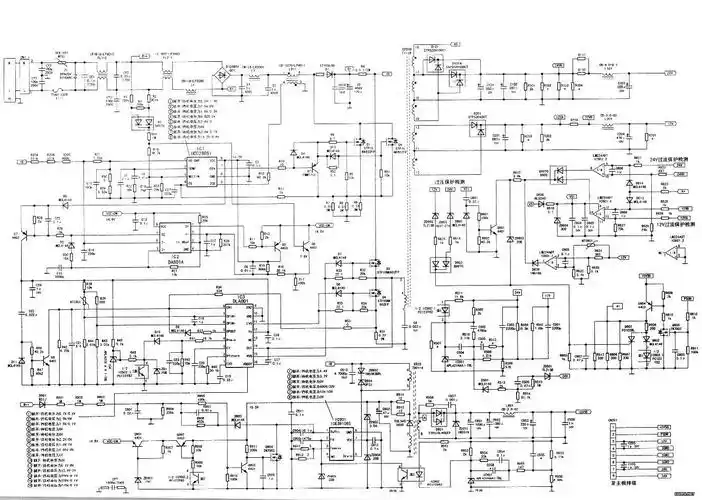
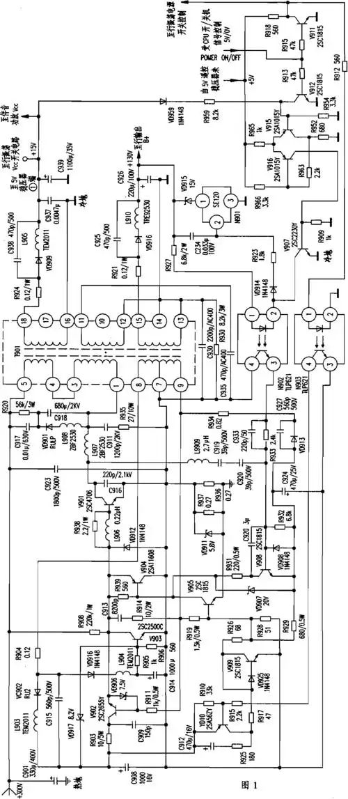
康佳台达液晶彩电电源原理图
开关电源
康佳t系列彩电电源系统电路分析
"d"康佳大屏幕系列彩电开关稳压电源电路原理 张君松 本开关稳压
15w机顶盒开关电源电路
4w低功耗开关电源电路
为你推荐
宝宝身高体重标准表
原创39岁霍思燕素颜走机场大衣内搭喇叭裤气质十足难怪杜江宠着她
从西向东依次是火炬大桥,凌波桥,瀛洲桥,西苑桥,王城大桥,牡丹桥,洛阳
陈列作品高标准范本福圆国国教歌郎点精腾龙商学院超市策划团队盒装盗
蔡志忠漫画水浒108将
魏庄街道
我注册用户名的时候,本来是想叫人参娃娃
小小枪王内购破解版无限钻石