图知网
搜索
首页
热门推荐
图片分类
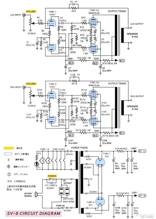
6p1/6v6/el84资料
下载原图
相关图片
求教下这个电路是否也可以用来驱动6v6gt推挽呢
el84推挽
线路图集求份12ax7el84推挽好图
ef86 ecc83 el84推挽电路
el84-output.png
求一张6n2 6p14推挽图纸
为你推荐
幸福微笑的年轻女人的特写肖像
中二.#白敬亭 #魏大勋 #谭松韵 #山花cp - 抖音
范冰冰壁纸!没理由不爱呀!
可以试一试#显白发色 #在家染发 #发色分享 #发色推荐@薯队长@薯条
求戴眼镜猫猫头像
大风头发凝望远方舍不得gif动图_动态图_表情包下载_soogif
锚头蚤.锚头蚤症状: 鱼类烦燥不安,食欲减退,行动迟缓,身体 - 抖音
彩色壁纸