图知网
搜索
首页
热门推荐
图片分类
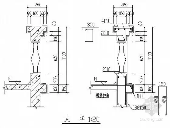
阳台详图(无雨蓬&有雨蓬)
下载原图
相关图片
阳台详图
混凝土阳台构造节点大样施工图cad-混凝土节点详图-筑龙结构设计论坛
精选-阳台节点大样cad详图设计,共35个
某阳台砼栏板cad详细施工设计大样
常用阳台节点构造详图
阳台节点详图(阳台地漏口,线角大样等)施工图下载【id:166250117】
为你推荐
范冰冰与刘德华在上海宣传
飞行中的战斗机高清锁屏壁纸桌面壁纸图片2下载
贺峻霖61浅摸一张线稿
橘红正宗化州正品500g中药药包邮化桔红切片其他药食同源食品
奥特曼之母
记者走访发现,这些发霉的一次性筷子绝大多数属于"三无产品",包装袋上
王子文真人究竟有多好看,鹅黄长裙勾勒丰腴曲线,网友:衣品真好
幼儿故事简笔画