图知网
搜索
首页
热门推荐
图片分类
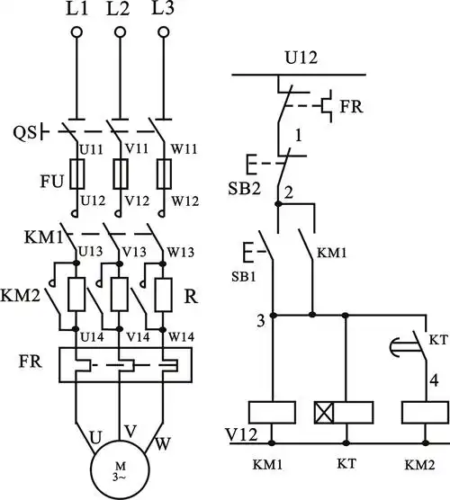
职中专业课职中机电(学习情景6(降压启动控制电路))通用
下载原图
相关图片
降压启动电路图
y-△降压启动控制电路分析 y-△降压启动是异步电动机的一种降压启动
电动机y_^降压启动电路图. 机械制图__吊钩 - 抖音
自耦变压器降压启动控制线路设备控制基础
三相异步电动机定子串电阻降压启动自动控制线路实验说明
按钮手动控制——星三角降压启动——主电路接线
为你推荐
内外涂ep涂塑复合钢管.总的来说,涂塑钢管作为一种新型的管道 - 抖音
前央视知名主持人王凯,带妻子辞职下海年入2亿,两个女儿好可爱_曾湉
电视剧《延安颂》宣传册
五年级下册人教版第二三单元数学知识点总结
暴漫表情gif哈哈gif雷人gif逗逼gif
冰镇雪碧免费喝!每天一杯,即日起至9月5日麦当劳雪碧免费领!
武林风笼中队郑州站门票武林风八号演播厅订票
崂山白花蛇草水!健康生活必备水!