图知网
搜索
首页
热门推荐
图片分类
沿着辽河,在营口开启一场浪漫的海滨玩水之旅!
下载原图
相关图片
【最美辽宁】营口市:辽河大桥夜景 作者:王晨 #有一种美好叫辽宁##新
山海有情 天辽地宁 | 营口市辽河老街:承载繁华往昔 展望城市新生
大美营口辽河文化产业带再添观光休闲好去处
其它 专辑1— 辽河大桥 写美篇用相机和航拍记录营口地标-辽河大桥
文明生态营口大辽河入海口
大辽河营口航标
为你推荐
教室医院室图书馆瑜伽馆温馨提示贴纸班级走廊书房静字墙贴 a款绿色
西餐菜单
有哪些脸大却仍然很美丽的女性?
山东卫视,江苏卫视,上海东方,风云剧场,安徽卫视,北京卫视,cctv4,国防
少女生内衣韩版初中学育期抹胸小背童吊带背心发育期中大童女孩内衣
45200g阳光粉色洋桔梗7575
实力不允许!|微信理财_新浪新闻
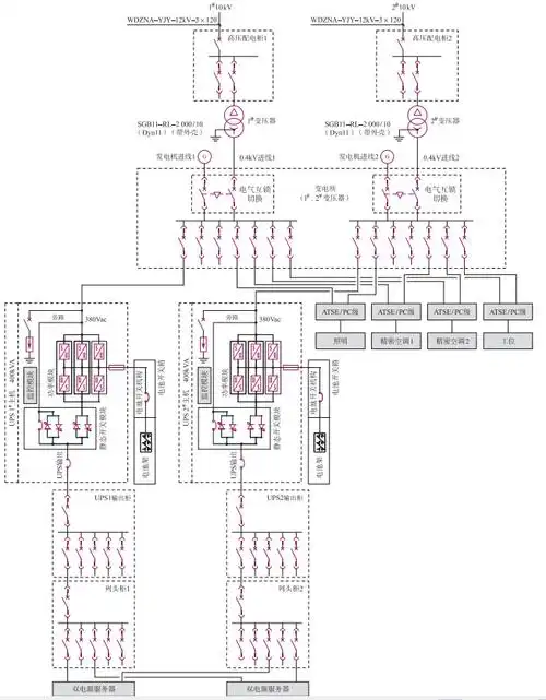
浅谈数据中心供配电设计应用_配电系统_方案_安科瑞