图知网
搜索
首页
热门推荐
图片分类
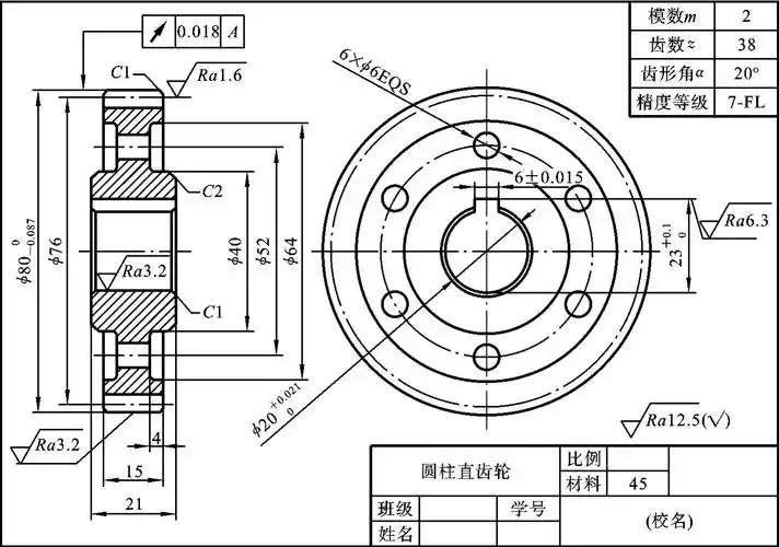
机械制图项目四 绘制直齿圆柱齿轮零件图.ppt
下载原图
相关图片
机械设计:标准直齿圆柱齿轮参数,名称,计算公式
圆柱齿轮 碳钢直齿轮 2模12齿35齿 正齿轮 金属小齿轮 厂价直销
正齿轮5m46t 5模数46齿t 带凸台圆柱直齿轮 齿条 标准件非标定制
直齿轮直齿轮直齿轮直齿轮直齿轮直角圆柱齿轮为了使齿轮在两个方向都
参数的直齿圆柱齿轮
直齿圆柱齿轮的设计
为你推荐
一个人挺好四川欣儿这么好听的一首歌想和你分享
opk 欧美跨境饰品批发 复古简约潮男不锈钢指环 钛钢镶石男士戒指
百益永进大容量实木鞋柜门口家用入户门楼道玄关柜一体收纳储物新款鞋
【携程攻略】景德镇古窑民俗博览区景点,景德镇的景点不多,大多景点都
p>孙悟天(son goten,そん ごてん),是日本动漫《龙珠》中的角色之一.
海伦堡海伦湾户型图(链家网)
先天性尿道下裂治疗费用
逛郫都区的佛罗伦萨小镇