图知网
搜索
首页
热门推荐
图片分类
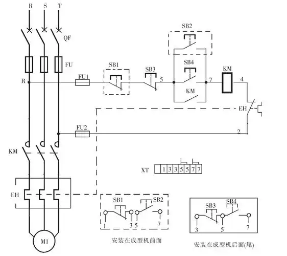
手把手教你三相异步电动机启停控制电路设计
下载原图
相关图片
电动机启动停止电路图
展开全部 电机启动停止 向左转 向右转
单按钮启停电动机.png
电工常用电动机控制电路(四)
两处启动与停止的电动机控制电路
使用空开,交流接触器,启动按钮和停止按钮,组成电路控制电动机工作
为你推荐
一组陈冠希头像
小米mi生态米家通用忆诗兰饺子盘沥水吃饺子的盘子装饺子带醋碟沥水
出土红山文化老玉陨石兽摆件
花洁夫人怎么进化(花洁夫人进化三种进化图)_植物知识网
金元宝摆件仿真大号金元宝摆件塑料小号客厅风水装饰道具摆设儿童玩具
逐渐增多,但是大部分学生不清楚赴日本留学到底应该如何规划适合自己
400cc摩托车哈雷
绿色小鳄鱼_卡通动漫头像_我要个性网