图知网
搜索
首页
热门推荐
图片分类
him是假的史蒂夫能否逃离末日的世界平行末日第九话来临
下载原图
相关图片
一个想写him和steve的人
我的世界玩具周边dream手办松饼小队猪神史蒂夫him纸模型手工diy
楼主求him和steve的腐图
史蒂夫历险记之him和notch
史蒂夫倒霉记
him和stevew
为你推荐
邓伦#
许魏洲
tf家族运动会
抗战老兵扛起枪 依旧英姿飒爽 (1/9)
汤臣倍健牡蛎肽压片糖果60片参数
第一次简谱(歌词)_祁隆演唱_桃李醉春风记谱
阔叶十大功劳#花开的季节,含苞欲放,只为春天添彩#植物 - 抖音
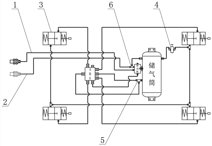
用于半挂车的制动气路系统的制作方法