图知网
搜索
首页
热门推荐
图片分类
电机正反转原理
下载原图
相关图片
电工新手,请教老师傅,发张控制电动机正反转电路图和实物接线图,发到
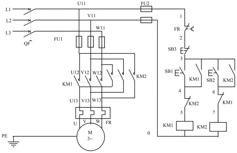
图10-22 电动机的接触器正反转控制电路
正反转控制电路是采用交流接触器作为控制元件,当按下点动按钮
电机正反转的控制问题
三相异步电动机正反转控制电路(修改)ppt
一例电机正反转控制电路的实物接线图
为你推荐
kai帅气赴巴黎机场"走秀" 微笑示人心情大好
麻辣烫小吃店门头招牌设计
永州东方科技职业学校创建于1995年,是一所经政府批准设置的全日制
苹果树的画法步骤 简笔画怎么画一棵苹果树
黄色实拍从来没有一种坚持会被辜负正能量励志海报psd
信纸-中国风
赶着国庆的尾巴祝大家国庆快乐7715#大漆工艺 #茶则 #茶生活
可爱的泰国胖女孩