图知网
搜索
首页
热门推荐
图片分类
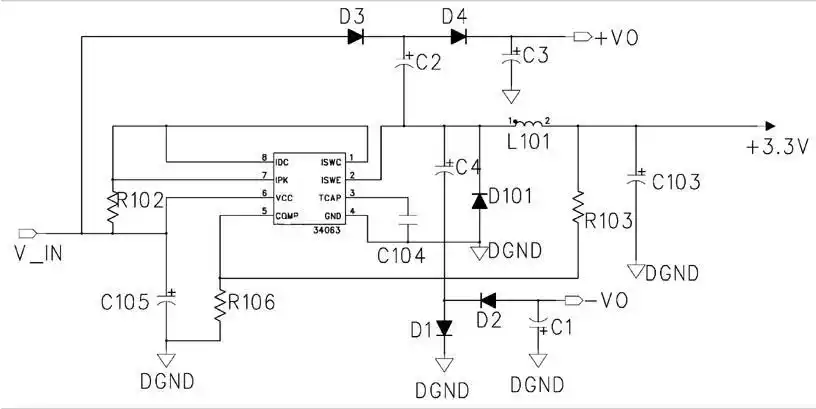
求一个mc34063的升压电路,3.
下载原图
相关图片
34063升压电路【硬之城】
关于mc34063输出12v的问题
用两片mc34063将12v电压变换成正负20v电压(没有扩流),再用lm317/lm
34063升压电路接上负载后电压就降下来了,求原因?
升压电路mc34063不能正常工作
求助谁有mc34063制作12v33v电路图啊
为你推荐
清代的格格俏皮可爱,那么简笔画可以怎么画呢?
洗纹身真实案例
华少搞笑逗逼来自二狗的嘲笑gif动图_动态图_表情包下载_soogif
[转载]中国《世界遗产名录》连载41-20-"北京天坛" - 的日志 - 网易博
banana fish 亚修
思维导图|二年级课文《小马过河》 可以带图评论了,快来上传你们的导
芙兰达苦战上演帅气反击
封面预告乐华七子国民男团来袭