图知网
搜索
首页
热门推荐
图片分类
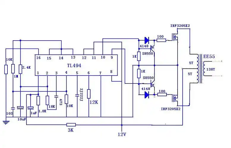
一款12v转交流220v逆变器电路图
下载原图
相关图片
diy一个12v转220v的逆变器,分享其原理图-edn 电子技术设计
那位仁兄,有12v变50v逆变器电路图,谢谢了!急.
电子打鱼逆变器电路图全集
逆变器原理图【资料收录】
电子打鱼逆变器电路图大全
逆变器_电路
为你推荐
刘学义慕容璟和# 好演员一定会有故事感,单是看剧照海报都能推测角色
最新漂亮清新淡雅姓氏头像(3d新款高端大气个性签名头像)(27)
摩羯座男生动漫头像
孔雀草(孔雀草和万寿菊区别)
深入京山五中课堂提高教师技能素养
教你画汉武帝简笔画古代人物简笔画
凉拌土豆条
圣斗士星矢:十二黄金圣斗士头像欣赏