图知网
搜索
首页
热门推荐
图片分类
夹竹桃花
下载原图
相关图片
【首发】夹竹桃花静静开
4月下旬的白花夹竹桃
美丽的夹竹桃花
夹竹桃花(原创首发)
粉红花夹竹桃甜夹竹竹桃,玫瑰湾自然美
珠海斗门16万棵夹竹桃花开正艳
为你推荐
新春小南
首页 新闻资讯 头条新闻
原创茶颜观色告茶颜悦色主观恶意明显违反诚实守信终而败诉
【转载】佛像各种手势的代表
pantone潘通色卡tcx棉布色彩电子版查询(2-1部分) .docx
穿着运动服的瘦子
武白之武松的生日加约会-京剧猫之武白奇葩文-话本小说网
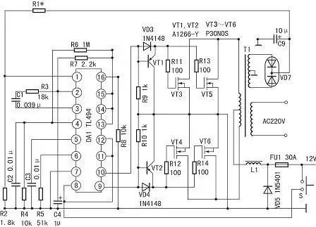
一款功率稳压逆变电源的设计与制作