图知网
搜索
首页
热门推荐
图片分类
100wx2功放电路
下载原图
相关图片
维修资料专业功放维修的方法及步骤
rotelrb1090专业功放电路图
国产ocl-16d"高传真"老功放电路图
四款常见的功放电路图
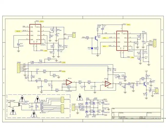
文档下载 所有分类 工程科技 电子/电路 > te-3817mm功放原理图vcc1 3
电子管柴尔/zell功放电路
为你推荐
流星花园梁靖康杀青2018梁家辉柴智屏保驾护航
年轻妈妈夏装改良旗袍连衣裙40岁50新款中老年女夏季国风雪纺裙子
一张真实的八路军女战士照片,她没有浓妆艳抹,只有十三四岁-驼风百科
白羊座动漫卡通图片
火影忍者出现过的所有眼睛(盘点火影忍者中特殊的眼睛合集)(6)
拉菲城堡干红07(大拉菲)
漫步者minibuds真无线蓝牙音乐耳机雾霾蓝(副)
花梨原木门