图知网
搜索
首页
热门推荐
图片分类
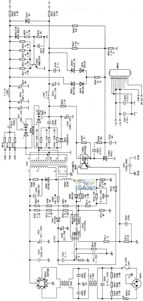
电动车充电器电源原理图与解析苍松借鉴
下载原图
相关图片
tny275pn电路图
开关稳压电源中的30w开关电源电路图
电源电路
联想l197型液晶彩显电源电路分析
明纬27v电源,改可调(0-50v)方案,图纸版
tny278 279电源芯片工作原理起震条件是什么
为你推荐
生日快乐祝你生日快乐生日祝福gif动图_动态图_表情包下载_soogif
严浩翔叁重楼暨出道四周年演唱会
超可爱熊出没熊大熊二头像
盘点:短视频常用魔性笑声原型揭秘!-搞笑视频-搜狐视频
20年前的中国 | 摄影师ian berry
海浪调六线吉他谱-虫虫吉他谱免费下载
可耻的人!
花朵种子的生长过程 绘画