图知网
搜索
首页
热门推荐
图片分类
王者荣耀 #嫦娥 #如梦令 #cos #cos正片 你就是 - 抖音
下载原图
相关图片
cosplay嫦娥王者荣耀
cos嫦娥
王者荣耀嫦娥cosplay
王者荣耀嫦娥原皮cosplay
cos:王者荣耀嫦娥cos正片@唐唐涩布丁
王者荣耀嫦娥原皮cosplay
为你推荐
(带你到我家) 我的家常菜
漫画女侧脸画法,大家学会了吗
太真实了近视眼眼中的世界
龙华水世界美食水疗会已经开业了
新时代女性婚姻爱情的困境时 间:2019-10-10上传者:咖啡音乐堂电视剧
eva内衬
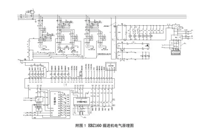
ebz 掘进机电气原理图 三一重工
我叫西宫硝子