图知网
搜索
首页
热门推荐
图片分类
三款汽车发电机电路图
下载原图
相关图片
柳工30装载机启动马达接线图
铲车刀闸关了发电机给电瓶还能充电电吗
识图:拆画,分析载货汽车电路图
装载机照明系统都有哪些常见故障,如何检修排除
9管交流发电机电路
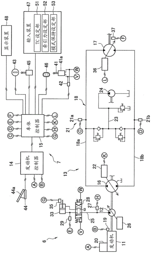
轮式装载机及其控制方法与流程
为你推荐
迪丽热巴正脸照,气质绝了_网易订阅
exo 新logo
女童吃太多鸡肉当心引发性早熟_孩子_激素_速生
碧蓝航线精选美图no1凌波美图
烧结普通砖出厂合格证
金弹子盆景带果老桩盆栽 原盆原土3 带盆栽好【图片 价格 品牌 报价】
原来你还在这里暖心收官程铮求婚登顶热搜
00后抽烟已经不护火了