图知网
搜索
首页
热门推荐
图片分类
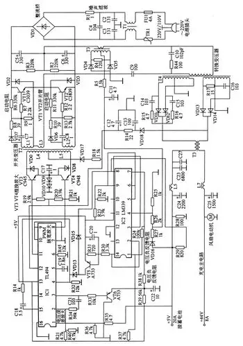
12v电压充电器电路图
下载原图
相关图片
汽车12v电瓶充电器电路图
电动自行车佳腾充电器电路图
依莱达电动自行车充电器电路图
12v--24v充电机充满电后自动断电的充电机电路图(我有24v的环形变压器
如图 电动车充电器,怎么把12v继电器加在充电器与电瓶之间,220v插电就
电动车充电器维修_接线图分享
为你推荐
qq企鹅头像官方新版最原始qq企鹅头像
素材人物
90年代小学语文课文《赵州桥》 90年代小学语文课文《赵州桥》
少数民族歌手阿斯根演唱的滇藏民歌《美人》旋律古朴优美.
充电桩雨棚图片效果图
反贪风暴5:最终章
ipad古风水彩荷花附线稿过程图
王一博装正补充含酒精水洗175ml洗手抑菌免洗舒肤佳洗手液