图知网
搜索
首页
热门推荐
图片分类
90度4节弯头放样
下载原图
相关图片
管道直径500弯头90度的放样图
90度4节弯头放样
弯头放样方法
管道弯头展开放样图作法教程.doc 9页
直径1米3节弯头怎么放样
铁皮弯头怎么下
为你推荐
动车组↓沿用复兴号动车组充电接口标准cr200j鼓型复兴号动车组行驶在
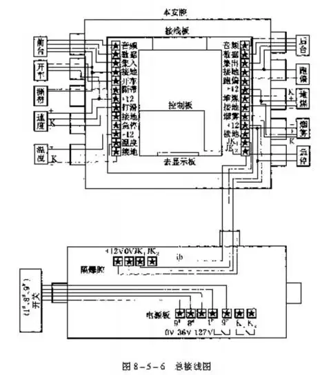
皮带输送机保护装置的安装接线及使用说明
道路红绿灯怎么画_简笔画 - 搜图案网
芭乐水彩画法.芭乐步骤 1.用墨水渗流笔刷进行起稿勾线,画芭 - 抖音
绘画制作鸟窝,给小鸟一个温暖的家
故宫手绘第29篇
长江流域地图
哭_动图_熊猫头表情包 - 哭_动图_熊猫头微信表情包 - 哭_动图_熊猫头